WR-G528e/DSP 'CHEETAH' Miniature Phase-Coherent DSP Back-End


The WiNRADiO WR-G528e/DSP is a miniaturized, USB 3.0 interfaced high-performance receiver's back-end with dual application capability.

A single WR-G528e/DSP module can be utilized as a compact, single-channel DSP back-end suitable for fast signal intercept, acquisition and monitoring applications.

When two or more identical modules are interconnected to share a common sampling frequency and synchronization, they can form the basis of a dual/multi-channel phase-coherent direction-finding system with excellent phase and amplitude matching characteristics.

The WiNRADiO WR-G528e/DSP is designed to be a back-end of choice for demanding Software-Defined Radio (SDR) applications wherever an instantaneous IF bandwidth up to 30 MHz, small size, low power and low cost are required. It can be deployed in fixed, land mobile, or airborne installations.

WR-G528e/DSP Back-End

 Single or dual-channel phase-coherent applications
 Baseband input 0.01-35 MHz
 IF input 70 MHz
 IF bandwidth 30 MHz
 Excellent phase and amplitude matching
 0.5 ppm frequency stability or 10 MHz external reference
 Small size and weight
 Low power consumption
 High dynamic range
 Onboard FPGA processing
 DDC bandwidths selectable from 20 kHz up to 32 MHz
 USB 3.0 Superspeed

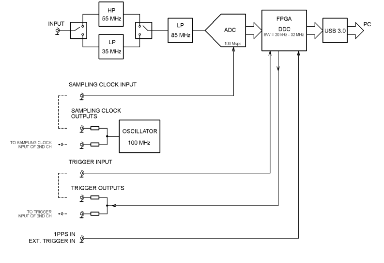
The DSP back-end is based on a high performance 100 MSPS 16 bit ADC, powerful and versatile FPGA and USB 3.0 interface featuring Superspeed (5 Gigabit per second) transfer rate. To prevent aliasing, there are two selectable anti-alias filters. For baseband processing, a 35 MHz low pass filter is available, while for 70 MHz IF processing, a band pass filter centered at 70 MHz has to be selected. The digitized signal is then fed into the FPGA, which performs digital down-conversion (DDC) to 33 selectable bandwidths ranging from 20 kHz up to 32 MHz. The digitized and pre-processed signal is then streamed to the PC over USB 3.0 for further processing.

A dual-channel phase-coherent system could be based on two identical, interconnected WR-G528e/DSP modules. This would provide excellent phase stability and flatness throughout the entire frequency range, with minimum amplitude and phase distortion, as well as minimum amplitude and phase mismatch between the two channels. The system is capable of coherent triggering and coherent digital down-conversion, GPS time stamping and GPS synchronization, also external TTL triggering.

Even though the WR-G528e/DSP Back-End is especially suitable for use with the WiNRADiO WR-G528e Wide-Band Phase Coherent Tuner Front-End, it can be used with virtually any third-party receiver front-end.

WR-G528e/DSP block diagram
G528e/DSP Back-End block diagram

 

 WR-G528e/DSP Software Support
 WR-G528e/DSP Detailed Technical Specifications
 WR-G528e Front-End
 How to Order

Interested? Please use our Rapid Response Form to register your interest in this product, or to request more information.